4套经济实用型农村二层小洋楼自建房设计图,简单但好看
4套经济实用型农村二层小洋楼自建房设计图,简单但好看
对于在城里买房的农村朋友想要在农村老家盖新房子,一般都会选择经济实用且不难看的户型。预算有限,不想在农村自建房投入太多,追求性价比,下面小编分享几款适合农村自建的小洋楼,经济实用型,而且非常的好看,一起来看看吧~

别墅立面色彩鲜明,错层三角形屋顶搭配小圆窗和弧形阳台是这栋房子的亮点,简单好看。
面宽:12.0米 进深:10.00米 占地面积:120平方米 总建筑面积:217.2平方米
建筑结构:砖混结构 造价预算:18-25万

一层:堂屋、客厅、餐厅、厨房、老人房、卫生间

二层:家庭厅、棋牌室、3卧室、书房、阳台、露台、卫生间
02

开间:9.4米 进深:10.8米 占地面积:103.47平方米 总建筑面积:206.95平方米
建筑结构:砖混结构 主体预算:18-20万

两间农村二层小别墅设计图,文化石和真石漆的外墙,时尚美观。左侧窗户上有遮雨屋面,实用又能起到装饰的效果。老人房和主卧均带有独立卫生间,性价比高。

一层:客厅、餐厅、厨房、卧室(带内卫)、公共卫生间

二层:大卧室(带阳台)、主卧(带内卫)、2次卧、公共卫生间
03

编号: B167 层数: 二层 结构形式: 砖混结构 主体造价: 18-22万
开间: 11米 进深: 12米 占地面积: 134.56平方米 总建筑面积:252.05平方米

该户型为大露台平屋顶设计,简单的造型搭配铁艺栏杆、拱形窗户,阳台等设计,就能给人一种清爽别致的设计感,室内布局侧重功能流畅性,还设有娱棋牌室供住户日常休闲娱乐,还有卧室套间,人性化设计。

一层:玄关、客厅、厨房、餐厅、棋牌室、卧室(带内卫)、杂物间、卫生间

二层:休息厅(带阳台)、卧室(带内卫、书房)、卧室(带内卫)、卧室(带衣帽间、书房、内卫)
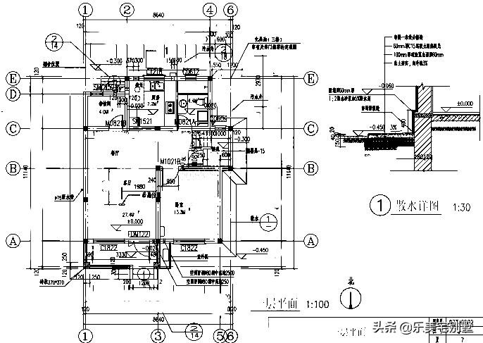
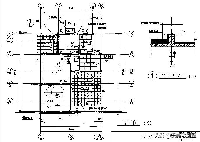
04

编号: zcB32 层数: 二层 结构形式: 砖混结构 主体造价: 10-15万
开间: 8.64米 进深: 11.14米 占地面积: 75.1平方米 建筑面积: 119.7平方米

本户型带大露台,视野开阔,采光通风效果佳,适合一家人居住。

一 层: 客厅、卧室、厨房、餐厅、杂物间、储藏间、卫生间

二 层: 主卧(附露台)、书房、卫生间